For details to inquiry
FOB
Depend on quantity
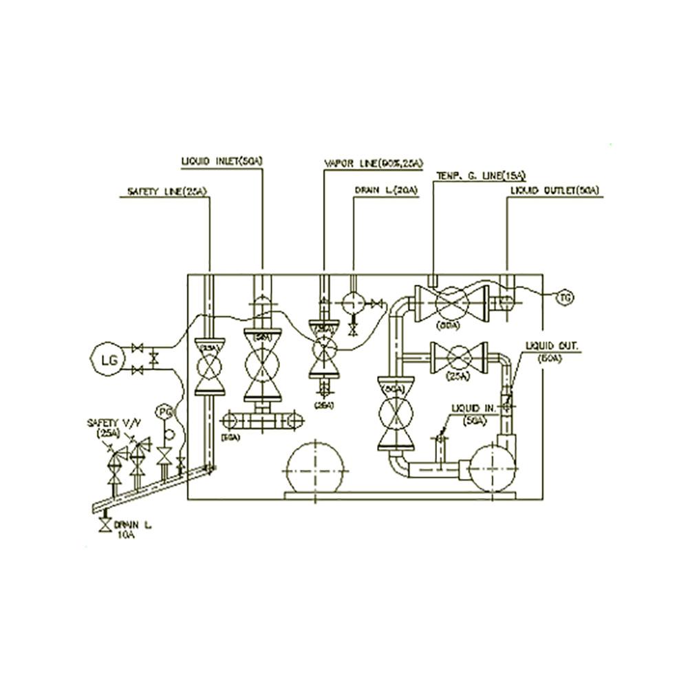
| N O Z Z L E | ||
| N O | S I Z E | S E R V I C E |
| SLA360 | 375Ø | MANHOLE |
| SLA360 | 25A | SAFETY LINE |
| SLA360 | 50A | LIQUID INLET L. |
| SLA360 | 25A | VAPOR LINE |
| SLA360 | 50A | LIQUID OUTLET |
| SLA360 | 25A | VAPOR LINE |
| SLA360 | 20A | DRAIN |
| SLA360 | 15A | TEMP. GAUGE |
| L_CO2 TANK LORRYTON | |||||||
| Capacity | Internal Volume (Litter) | Diameter (mm) | Height (mm) | Pressure | Material (internal) | Material (outer) | Safety Transformer |
| 11.5TON | 12405 | 1600 | 5560 | 2.3Mpa | SLA 360 | 13/14 | 25A x 2EA |
| 14.5TON | 15632 | 1610 | 7066 | 2.3Mpa | SLA 360 | 13/14 | 25A x 2EA |
| 18.5TON | 20020 | 1750 | 7740 | 2.3Mpa | SLA 360 | 13/14 | 25A x 2EA |
The person in charge
Dong Joon ChoiAddress
103 Hongti-ro, Saha-gu, Busan (49489)Please enter the text on the left image to prevent automatic input.
0 / 4000
GOLD